40 prosedur pembentukan dana kas kecil

Hubungan Prosedur Pengendalian Kas Kecil dengan ... pembentukan dana kas kecil; Dana kas kecil dibentuk berdasarkan surat keputusan kepala bagian keuangan. Dalam perusahaan yang memiliki standar prosedur operasional, semua jenis pengeluaran kas melibatkan bagian utang sehingga unit organisasi yang terlibat dalam prosedur pembentukan dana kas kecil adalah bagian utang, bagian kasir, bagian jurnal dan laporan, serta pemegang dana kas kecil. Kas Kecil: Pengertian, Pembentukan, Fungsi, Dan Metode Kas ... Dana kas kecil dimanfaatkan untuk pembayaran dalam transaksi pengeluaran. Sesudah dana kas kecil habis atau hampir habis, kasir akan membentuk kembali dana kas kecil, dengan mengisinya sebesar jumlah nominal pengeluaran yang terjadi. b. Metode Berubah-Ubah (Fluctuating Fund System)

Materi Kas Kecil Full - Asep Nurholik Transaksi pembentukan dana kas kecil sebesar jumlah menurut keputusan kepala bagian keuangan. Dokumen transaksi tersebut ialah sebagai berikut: Bukti pengeluaran kas yang dibuat oleh bagian hutang. Surat keputusan kepala bagian keuangan sebagai dokumen pendukung. b.

Prosedur pembentukan dana kas kecil

Prosedur pembentukan dana kas kecil

Pembentukan Dana Kas Kecil ( Petty Cash ) Feb 05, 2014 · Dana kas kecil di bentuk (disediakan) berdasarkan surat keputusan kepala bagian keuangan. Dalam perusahaan yang memiliki standar prosedur akuntansi semua jenis pengeluaran kas melibatkan bagian hutang sehingga unit organisasi yang terlibat dalam prosedur pembentukan dana kas kecil adalah bagian hutang, bagian kasa, dan bagian pemegang dana kas kecil. Pengertian, Tujuan, Metode dan Contoh Kas Kecil Pembentukan dana kas kecil di mana pemegang kas nanti diberi sejumlah uang tunai yang nantinya untuk pembayaran atas pengeluaran yang diperkirakan bisa memenuhi kebutuhan dalam waktu tertentu. Dana kas kecil dipergunakan untuk pembayaran transaksi pengeluaran. Setelah dana kas kecil habis/hampir habis, kasir membentuk kembali dana kas kecil ... √Kas Kecil Adalah: Pengertian, Tujuan, Ciri, Dokumen,Metode Pembentukan dana kas kecil di mana pemegang kas kecil diberi sejumlah uang tunai yang nantinya untuk pembayaran atas pengeluaran yang diperkirakan dapat memenuhi keperluan dalam waktu tertentu. ... pengertian kas menurut para ahli, petty cash adalah, prosedur pengelolaan kas kecil, rekonsiliasi bank, sebutkan bentuk bentuk pengeluaran kas kecil ...

Prosedur pembentukan dana kas kecil. Prosedur Permintaan Dan Pertanggung Jawaban Pengeluaran ... Pemakai Dana Kas Kecil. Mulai. Membuat permintaan pengeluaran kas kecil. 2. PPKK Mengeluarkan uang & mengumpulkan bukti pendukung. N. Membuat bukti pengeluaran kas kecil. BPKK PPKK 2. Selesai. Menyerahkan uang kpd peminta. Bersama dgn penyerahan uang tunai. Memeriksa pertanggung-jawaban pemakaian dana kas kecil. Prosedur Pembentukan Dana Kas Kecil - YouTube Prosedur Pembentukan Dana Kas KecilKelas : XII Administrasi Perkantoran 1SMK YPM 5 SUKODONO - SIDOARJONama Kelompok :1. Alifia Septiananda2. Ari Suci A.3. Bi... 4234 Jaringan prosedur yang membentuk sistem 1 Prosedur ... 4.2.3.4 Jaringan prosedur yang membentuk sistem 1. Prosedur pembentukan dana kas kecil Dalam prosedur ini, bagian administrasi mencatat pembentukan dana kas kecil didalam register bukti kas keluar. Bukti kas keluar dilampiri dengan surat keputusan pembentukan dana kas kecil diserahkan oleh bagian administrasi kepada pemegang dana kas ( owner ). SmilE !!!: Pembentukan Dana Kas Kecil (Petty Cash) Pembentukan Dana Kas Kecil (Petty Cash) Untuk membiayai pengeluaran rutin perusahaan Adalah dana yang dibentuk untuk membiayai pengeluaran rutin perusahaan dan jumlahnya relatif kecil. 1. Sistem dana tetap. Pembentukan dana kas kecil: Kasir kas kecil diberikan sejumlah uang.

Pencatatan Kas Kecil Dengan Sistem Dana Tetap, Dana ... Prosedur kas kecil pada sistem dana tetap. Pembentukan kas kecil, langkah langkahnya adalah sebagai berikut: Menunjuk karyawan sebagai pemegang kas kecil; Kemudian perusahaan menetapkan nominal dana kas kecil; Jumlah dana ditaksir dengan perhitungan kebutuhan pada satu periode (perminggu/perbulan) Download PDF - Prosedur Pembentukan Dana Kas Kecil ... Download PDF - Prosedur Pembentukan Dana Kas Kecil [gen5zxexk1no]. ... Kas Kecil : Pengertian, Fungsi, Ciri, Tujuan & Metodenya ... Pengertian Kas Kecil Menurut Para Ahli. 1. Kusnadi. Sebuah dana berbentuk uang tunai yang digunakan sebagai alat pembayaran untuk keperluan perusahaan. 2. Soemarso. Sejumlah uang tunai yang sengaja disisihkan dalam suatu perusahaan, yang digunakan untuk membayar pengeluaran tertentu yang jumlahnya tidak besar. 3. Prosedur Pembentukan Dana Kas Kecil [gen5zxexk1no] Download & View Prosedur Pembentukan Dana Kas Kecil as PDF for free. More details. Pages: 3; Preview; Full text; Download & View Prosedur Pembentukan Dana Kas Kecil as PDF for free . Related Documents. Prosedur Pembentukan Dana Kas Kecil November 2020 0. Format Pengajuan Dana Kas Kecil last month 0. Power Point Kas Kecil

40 peranan fungsi pemeriksa intern dalam pengelolaan dana ... Peranan fungsi pemeriksa intern dalam pengelolaan dana kas kecil antara lain … *2 poinMengisi cek dan meminta otorisasi cekMenyerahkan cek kepada pemegang kas kecilPencatatan transaski pembentukan dana kas kecilMenyimpan dana kas kecilBertanggungjawab atas kebenaran penghitungan dana kas kecil secara periodik. . prosedur pembentukan dana kas kecil | Sarjana Ekonomi ... Tag: prosedur pembentukan dana kas kecil. Jenis-Jenis Kas. Oleh Guru Ekonomi Diposting pada Oktober 31, 2021. Sarjana Ekonomi - Hai sobat sarjanaekonomi.co.id jumpa lagi dalam artikel kesayangan Anda. Pada pembahasan kali ini, akan membahas mengenai KAS. Untuk lebih jelasnya mari simak pembahasannya secara lengkap di bawah […] Kas Kecil: Pengertian, Fungsi dan Prosedur Pengelolaannya ... Sep 23, 2021 · Penyelenggaraan dana kas kecil dilakukan dengan prosedur sebagai berikut: Pembentukan Dana Kas Kecil dilakukan dengan cek dan dicatat dengan mendebit akun Dana Kas Kecil. Saldo akun Dana Kas Kecil ini tidak boleh berubah dari yang ditetapkan sebelumnya, kecuali jika saldo yang telah ditetapkan tersebut dinaikkan atau dikurangi. 42 prosedur pembentukan dana kas kecil - Solusi Keuangan 4.2.3.4 Jaringan prosedur yang membentuk sistem 1. Prosedur pembentukan dana kas kecil Dalam prosedur ini, bagian administrasi mencatat pembentukan dana kas kecil didalam register bukti kas keluar. Bukti kas keluar dilampiri dengan surat keputusan pembentukan dana kas kecil diserahkan oleh bagian administrasi kepada pemegang dana kas ( owner ).

BAB II LANDASAN TEORI

BAB II LANDASAN TEORI

Administrasi Perkantoran "Dana Kas Kecil' | Rani Filiani :) 1. Pembentukan Dana Kas Kecil. Hal yang paling penting dalam pembentukan kas kecil adalah penunjukan petugas sebagai pemegang kas kecil. Selain itu, perusahaan juga harus menetapkan jumlah dana kas kecil. Biasanya jumlah dana kas kecil ditaksir dengan memperhitungkan kebutuhan dan untuk tiga atau empat minggu.

6 BAB II LANDASAN TEORI 2.1 Sistem Akuntansi Sebuah ...

6 BAB II LANDASAN TEORI 2.1 Sistem Akuntansi Sebuah ...

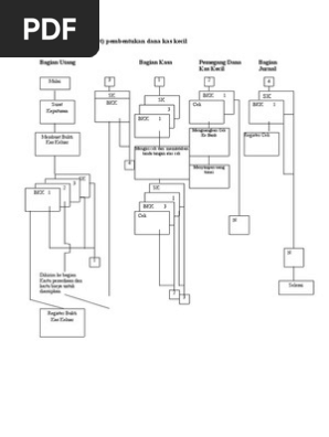
Prosedur Pembentukan Dana Kas Kecil | PDF Prosedur Pembentukan Dana Kas Kecil. 1. Bagian utang menyerahkan Bukti Kas Keluar dan Surat Keputusan Pembentukan Dana Kas Kecil (SK) ke bagian kasa. BKK dibuat rangkap 3, 2 rangkap bersama SK dikirim ke bagian kasa dan 1 rangkap dicatat dalam Register Bukti Kas Keluar.

Kas Kecil | PDF

Kas Kecil | PDF

(PPT) Mengelola dana kas kecil | dayatri ... - Academia.edu Prosedur pembentukan dana kas kecil Dana kas kecil dibentuk berdasarkan surat keputusan kepala bagian keuangan. Perusahaan yang memiliki standar prosedur operasional, semua jenis pengeluaran kas melibatkan Bagian Hutang, Bagian Kasa, dan Pemegang dana kas kecil. fBagian Hutang 1.

PROSEDUR PEMBENTUKAN DANA KAS KECIL.docx - PROSEDUR ...

PROSEDUR PEMBENTUKAN DANA KAS KECIL.docx - PROSEDUR ...

Sistem Imprest : Cara Praktis Mengelola Kas Kecil Misalnya PT Sukses Kemilau menganggap bahwa jumlah kas kecil terlalu kecil dan memutuskan untuk menambah jumlahnya menjadi Rp15.000.000. Maka prosedur pencatatan akuntansi di jurnalnya adalah sebagai berikut: (D) Kas Kecil Rp7.000.000 (K) Kas Rp7.000.000. 2. Pengurangan Jumlah Kas Kecil

Bagan Alir 1 | PDF

Bagan Alir 1 | PDF

Kepmendagri 050 - 5889 Tahun 2021 | PDF Menteri Kooperasi dan Usaha Kecil dan Menengah; 27. Menteri Pariwisata dan Ekonomi ... dan Nomenklatur Sumber Pendanaan ditujukan untuk memberikan informasi atas sumber dana berdasarkan tujuan penggunaan dana dari setiap pelaksanaan urusan ... serta saldo kas dan setara kas pada tanggal pelaporan. Catatan ...

Prosedur penanganan kas kecil

Prosedur penanganan kas kecil

Dana kas Kecil - Siyamtina Blog Penyelenggaraan dana kas kecil dilakukan dengan prosedur sebagai berikut : Pembentukan dana kas kecil dicatat dengan mendebit rekening Dana Kas Kecil. Pengeluaran dana kas kecil dicatat dengan mengkredit rekening Dana Kas Kecil, sehingga setiap saat saldo rekening ini berfluktuasi.

Sistem Pengelolaan Kas Kecil - ANUGERAH DINO

Sistem Pengelolaan Kas Kecil - ANUGERAH DINO

Prosedur Pembentukan Dana Kas Kecil Prosedur Pengeluaran ... KEUANGAN KONSIL LSM INDONESIA 25 A. PROSEDUR PEMBENTUKAN DANA KAS KECIL No. Uraian Prosedur Pelaksana Formulir yang digunakan 1. Menyiapkan Surat Keputusan Pembentukan Kas Kecil Kantor dan meminta persetujuan Direktur Eksekutif Manajer Kantor Surat Keputusan Pembentukan Kas Kecil Kantor 2.

SISTEM AKUNTANSI PENGELUARAN KAS PADA PT.CAHAYA MANDIRI ...

SISTEM AKUNTANSI PENGELUARAN KAS PADA PT.CAHAYA MANDIRI ...

PROSEDUR PEMBENTUKAN DANA KAS KECIL by Nanik Sri Haryati PROSEDUR PEMBENTUKAN DANA KAS KECIL Prosedur Pembentukan Dana Kas Kecil TUJUAN PEMBELAJARAN Bagian-bagian yg terlibat dalam pembentukan kas kecil 1. pengelola dana kas kecil/sekretaris 2. kasa / bendahara 3. akuntansi Peserta didik diharapkan dapat: 1. Mengurutkan prosedur

6 BAB II LANDASAN TEORI 2.1 Sistem Akuntansi Sebuah ...

6 BAB II LANDASAN TEORI 2.1 Sistem Akuntansi Sebuah ...

Jurnal Kas Kecil: Dana Petty Cash dan Keperluan Khusus Pembentukan dana kas kecil pertama-tama dengan memperkirakan jumlah kas yang diperlukan untuk pembayaran selama periode tertentu, misalnya selama satu minggu atau satu bulan. Setelah persetujuan diberikan, cek ditulis dan diuangkan sebesar jumlah perkiraan tadi.

Kas Kecil | PDF

Kas Kecil | PDF

SOP Penambahan Dana Kas Kecil | Prosedur dan Flowchart Dana kas kecil setiap bulannya diberikan dalam jumlah tertentu sesuai kebijakan dan kebutuhan perusahaan, di mana dana kas kecil biasanya diambil dari dana kas besar. Demikian yang dapat saya sampaikan mengenai topik cara membuat SOP pengelolaan kas kecil perusahaan , khususnya tentang penambahan dana kas kecil.

Mutasi Dana Kas Kecil - ANUGERAH DINO

Mutasi Dana Kas Kecil - ANUGERAH DINO

PROSEDUR PEMBENTUKAN DANA KAS KECIL.docx - PROSEDUR ... View PROSEDUR PEMBENTUKAN DANA KAS KECIL.docx from AA 1PROSEDUR PEMBENTUKAN DANA KAS KECIL Pembentukan dana kas kecil diorientasikan oleh kepala bagian keuangan. Bagian-bagian yang terkait dengan

Beranda Akuntansi Keuangan: Flowchart Kas kecil petty cash ...

Beranda Akuntansi Keuangan: Flowchart Kas kecil petty cash ...

Kas Kecil: Prosedur Pengelolaan Dana Kas Kecil 1. Pembentukan Dana Kas Kecil 2. Pengeluaran Dana Kas Kecil 3. Pengisian Kembali Dana Kas kecil Bagian yang terlibat dalam prosedur pembentukan dana kas kecil adalah: 1. Bagian Utang 2. Bagian Kasir 3. Bagian Jurnal dan Laporan 4. Pemegang dana Kas kecil Pihak yang terlibat dalam pengeluaran dan penggunaan kas kecil adalah 1. Pengguna dana kas ...

BAB II LANDASAN TEORI 2.1. Pengertian Kas Kas adalah aset ...

BAB II LANDASAN TEORI 2.1. Pengertian Kas Kas adalah aset ...

√Kas Kecil Adalah: Pengertian, Tujuan, Ciri, Dokumen,Metode Pembentukan dana kas kecil di mana pemegang kas kecil diberi sejumlah uang tunai yang nantinya untuk pembayaran atas pengeluaran yang diperkirakan dapat memenuhi keperluan dalam waktu tertentu. ... pengertian kas menurut para ahli, petty cash adalah, prosedur pengelolaan kas kecil, rekonsiliasi bank, sebutkan bentuk bentuk pengeluaran kas kecil ...

BAB II Tujuan Pustaka

BAB II Tujuan Pustaka

Pengertian, Tujuan, Metode dan Contoh Kas Kecil Pembentukan dana kas kecil di mana pemegang kas nanti diberi sejumlah uang tunai yang nantinya untuk pembayaran atas pengeluaran yang diperkirakan bisa memenuhi kebutuhan dalam waktu tertentu. Dana kas kecil dipergunakan untuk pembayaran transaksi pengeluaran. Setelah dana kas kecil habis/hampir habis, kasir membentuk kembali dana kas kecil ...

Belajar Membuat Catatan Kas Kecil Perusahaan dan Contohnya ...

Belajar Membuat Catatan Kas Kecil Perusahaan dan Contohnya ...

Pembentukan Dana Kas Kecil ( Petty Cash ) Feb 05, 2014 · Dana kas kecil di bentuk (disediakan) berdasarkan surat keputusan kepala bagian keuangan. Dalam perusahaan yang memiliki standar prosedur akuntansi semua jenis pengeluaran kas melibatkan bagian hutang sehingga unit organisasi yang terlibat dalam prosedur pembentukan dana kas kecil adalah bagian hutang, bagian kasa, dan bagian pemegang dana kas kecil.

Bab 14 Sistem Akuntansi Pengeluaran Kas Sistem akuntansi

Bab 14 Sistem Akuntansi Pengeluaran Kas Sistem akuntansi

Soal Uji Kompetensi Administrasi Perkantoran [+Kunci Jawaban ...

Soal Uji Kompetensi Administrasi Perkantoran [+Kunci Jawaban ...

BAB II KAJIAN PUSTAKA A. Landasan Teori 1. Sistem Kas Kecil a ...

BAB II KAJIAN PUSTAKA A. Landasan Teori 1. Sistem Kas Kecil a ...

ANALISIS PROSEDUR DAN SISTEM PENGENDALIAN INTERNAL DANA KAS ...

ANALISIS PROSEDUR DAN SISTEM PENGENDALIAN INTERNAL DANA KAS ...

Prosedur Pembentukan Dana Kas Kecil

Prosedur Pembentukan Dana Kas Kecil

Bab 14 Sistem Akuntansi Pengeluaran Kas Sistem akuntansi

Bab 14 Sistem Akuntansi Pengeluaran Kas Sistem akuntansi

BAB III PEMBAHASAN

BAB III PEMBAHASAN

Prosedur Penanganan Kas Kecil at Artikel

Prosedur Penanganan Kas Kecil at Artikel

ACCOUNTING SYSTEM TASKS: SISTEM KAS SUBSISTEM PENGELUARAN KAS

ACCOUNTING SYSTEM TASKS: SISTEM KAS SUBSISTEM PENGELUARAN KAS

SI1214472420 - widuri

SI1214472420 - widuri

PROSEDUR PEMBENTUKAN DANA KAS KECIL by Nanik Sri Haryati

PROSEDUR PEMBENTUKAN DANA KAS KECIL by Nanik Sri Haryati

√ 2 Metode KAS KECIL | Metode Imprest & Fluktuasi |

√ 2 Metode KAS KECIL | Metode Imprest & Fluktuasi |

Prosedur Penanganan Kas Kecil at Artikel

Prosedur Penanganan Kas Kecil at Artikel

PROSEDUR PENGELUARAN DANA KAS KECIL TERHADAP PENGELUARAN KAS ...

PROSEDUR PENGELUARAN DANA KAS KECIL TERHADAP PENGELUARAN KAS ...

BAB III PEMBAHASAN 3.1 Tinjauan Teori 3.1.1 Definisi Kas ...

BAB III PEMBAHASAN 3.1 Tinjauan Teori 3.1.1 Definisi Kas ...

Sistem akuntansi pengeluaran kas dengan dana kas kecil ...

Sistem akuntansi pengeluaran kas dengan dana kas kecil ...

buat bagan prosedur penanganan dana kas kecil - Brainly.co.id

buat bagan prosedur penanganan dana kas kecil - Brainly.co.id

Beranda Akuntansi Keuangan: Flowchart Kas kecil petty cash ...

Beranda Akuntansi Keuangan: Flowchart Kas kecil petty cash ...

Prosedur Penanganan Kas Kecil at Artikel

Prosedur Penanganan Kas Kecil at Artikel

BAB III PEMBAHASAN

BAB III PEMBAHASAN

Jelaskan prosedur Permintaan dan pertanggungjawaban ...

Jelaskan prosedur Permintaan dan pertanggungjawaban ...

BAB II KAJIAN PUSTAKA A. Landasan Teori 1. Sistem Kas Kecil a ...

BAB II KAJIAN PUSTAKA A. Landasan Teori 1. Sistem Kas Kecil a ...

BAB 14 SISTEM AKUNTANSI PENGELUARAN KAS Dalam Bab

BAB 14 SISTEM AKUNTANSI PENGELUARAN KAS Dalam Bab

BAB 14 SISTEM AKUNTANSI PENGELUARAN KAS Dalam Bab

BAB 14 SISTEM AKUNTANSI PENGELUARAN KAS Dalam Bab

Beranda Akuntansi Keuangan: Flowchart Kas kecil petty cash ...

Beranda Akuntansi Keuangan: Flowchart Kas kecil petty cash ...

0 Response to "40 prosedur pembentukan dana kas kecil"

Post a Comment

Iklan Atas Artikel

Iklan Tengah Artikel 1

Iklan Tengah Artikel 2

Iklan Bawah Artikel